Jacto
Buscar
Buscar
Todo o Site
Catálogo
Fale Conosco
0800 772 2100
Ofertas válidas para:
-
Alterar
Por que pedimos seu estado?
Escolhendo seu estado você poderá ver preços e ofertas exclusivos da sua região.
Entendi
Minha conta
Entrar
Cadastrar
Olá, bem-vindo(a)
Minha Conta
Meus Pedidos
Sair
0
Jacto
Catálogo
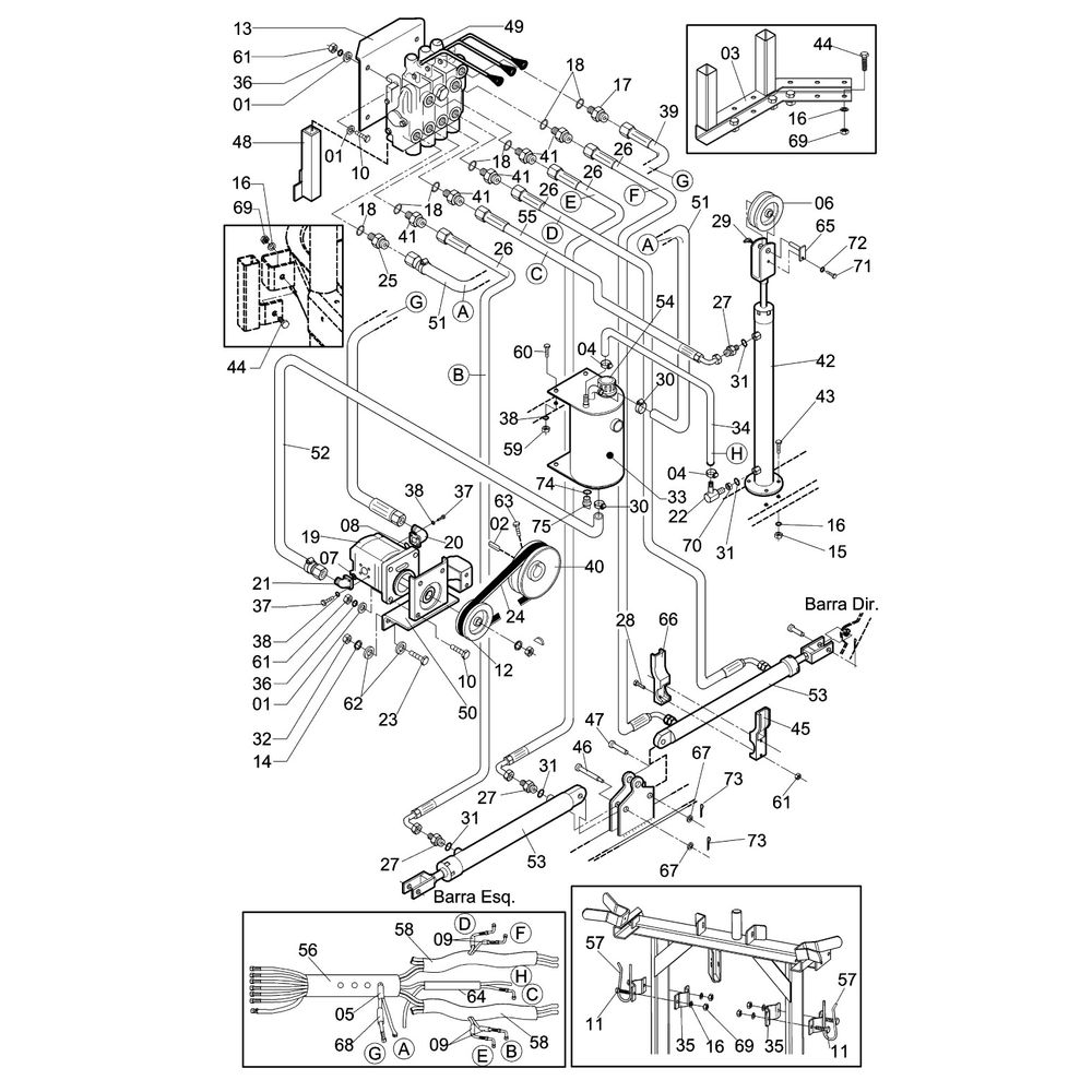
Circ.hidr.de alavanca CN-AM-14 - 153155 - VERSÃO - 0-0/0- -3
Circ.hidr.de alavanca CN-AM-14
153155V-0-0/0- -3
ORDEM
RG
PRODUTO
VALOR
QTDE
VALOR TOTAL
FINALIZAR PEDIDO
Receba novidades
Fique por dentro de tudo na Jacto.
Fique por dentro de tudo na Jacto.