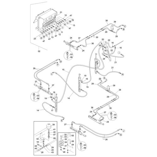
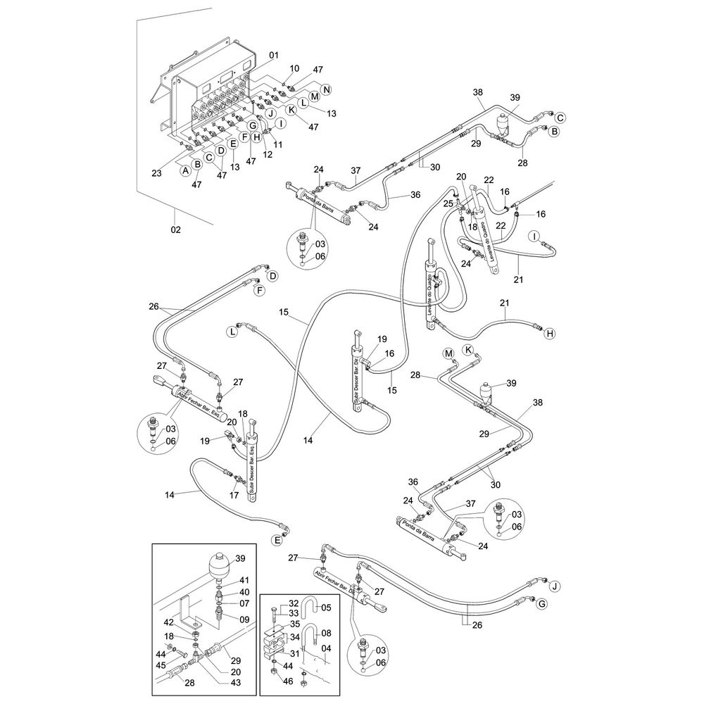
CIRCUITO HIDRAULICO II ATÉ MAQ. 522 152306 (CONJUNTO COMPLETO)
- 152306K
CIRCUITO HIDRAULICO II ATÉ MAQ. 522
Família
| Família | PULVERIZADOR AUTOMOTRIZ |
|---|
SubFamília
| SubFamília | UNIPORT 2000 |
|---|
Modelo/Versão
| Modelo/Versão | 9800 1998/0, 9800 1999/0, 2000 2005/2, 0 2008/11 |
|---|
Produto/Serviço
| Produto/Serviço | CIRCUITO HIDRÁULICO II- |ATÉ A MÁQUINA N, CIRCUITO HIDRÁULICO E COMPLEMENTOS |
|---|
