Jacto
Buscar
Buscar
Todo o Site
Catálogo
Fale Conosco
0800 772 2100
Ofertas válidas para:
-
Alterar
Por que pedimos seu estado?
Escolhendo seu estado você poderá ver preços e ofertas exclusivos da sua região.
Entendi
Minha conta
Entrar
Cadastrar
Olá, bem-vindo(a)
Minha Conta
Meus Pedidos
Sair
0
Jacto
Catálogo
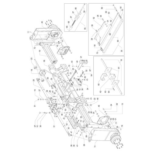
EIXO DIANTEIRO E COMPLEMENTOS - 112227 - VERSÃO - 0-0/0- -6
EIXO DIANTEIRO E COMPLEMENTOS
112227V-0-0/0- -6
ORDEM
RG
PRODUTO
VALOR
QTDE
VALOR TOTAL
FINALIZAR PEDIDO
Receba novidades
Fique por dentro de tudo na Jacto.
Fique por dentro de tudo na Jacto.