Jacto
Buscar
Buscar
Todo o Site
Catálogo
Fale Conosco
0800 772 2100
Ofertas válidas para:
-
Alterar
Por que pedimos seu estado?
Escolhendo seu estado você poderá ver preços e ofertas exclusivos da sua região.
Entendi
Minha conta
Entrar
Cadastrar
Olá, bem-vindo(a)
Minha Conta
Meus Pedidos
Sair
0
Jacto
Catálogo
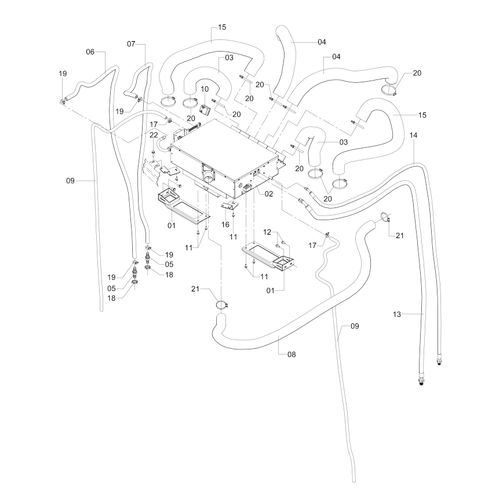
Módulo cabine piloto hidr APJ - 4530 - 1239450 - VERSÃO - 2021/9-C -8
Módulo cabine piloto hidr APJ - 4530
1239450V-2021/9-C -8
ORDEM
RG
PRODUTO
VALOR
QTDE
VALOR TOTAL
FINALIZAR PEDIDO
Receba novidades
Fique por dentro de tudo na Jacto.
Fique por dentro de tudo na Jacto.